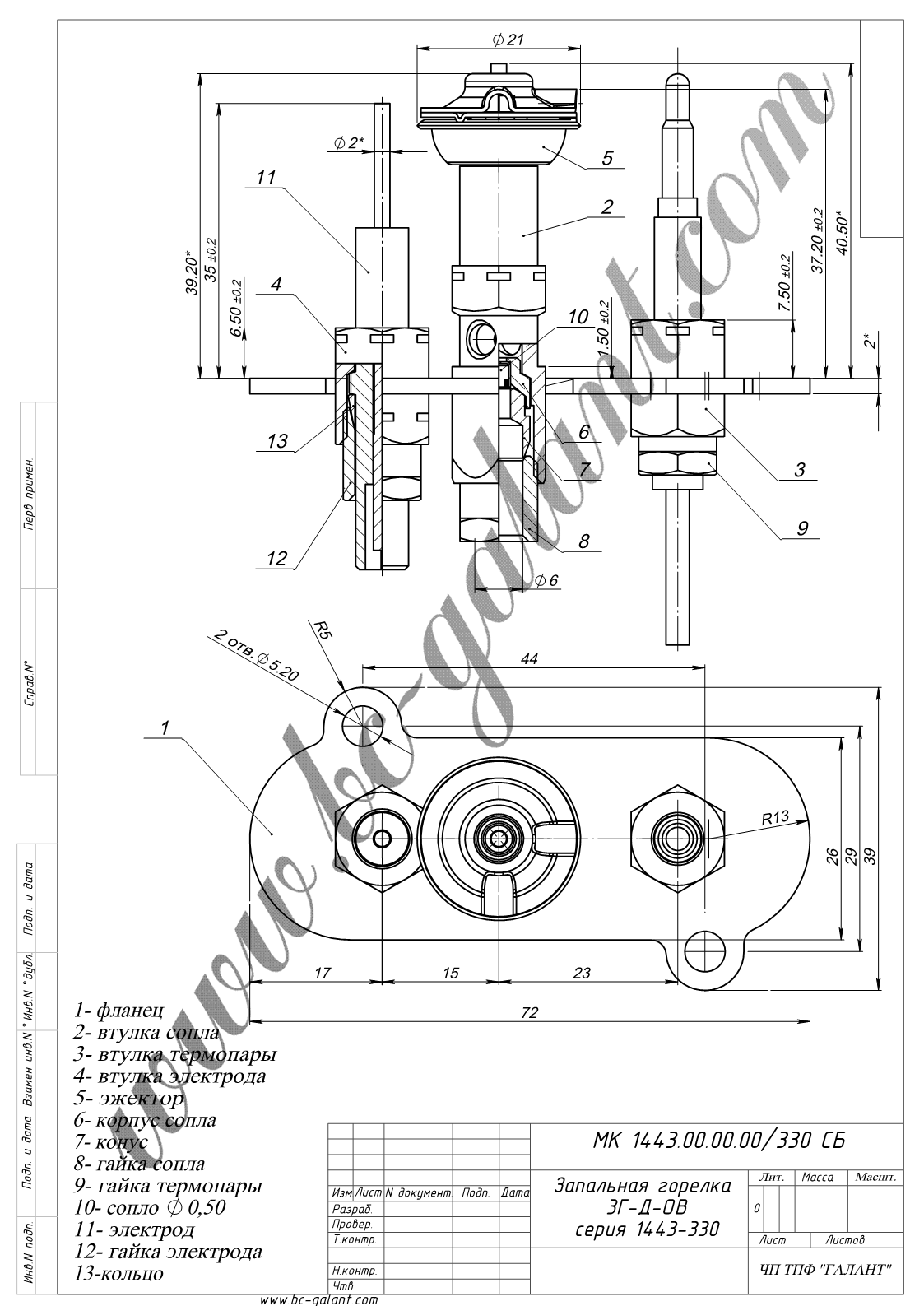
Пілотні (запальні) пальники призначені для розпалювання полум'я основних пальників котлів, печей та інших пальників побутового енергетичного обладнання.
У зборі, 2 факели, без електрода розпалювання, інжектор 0,50мм (100-002), приєднання газу 6мм, має отвір для приєднання термопари.
