.jpg)
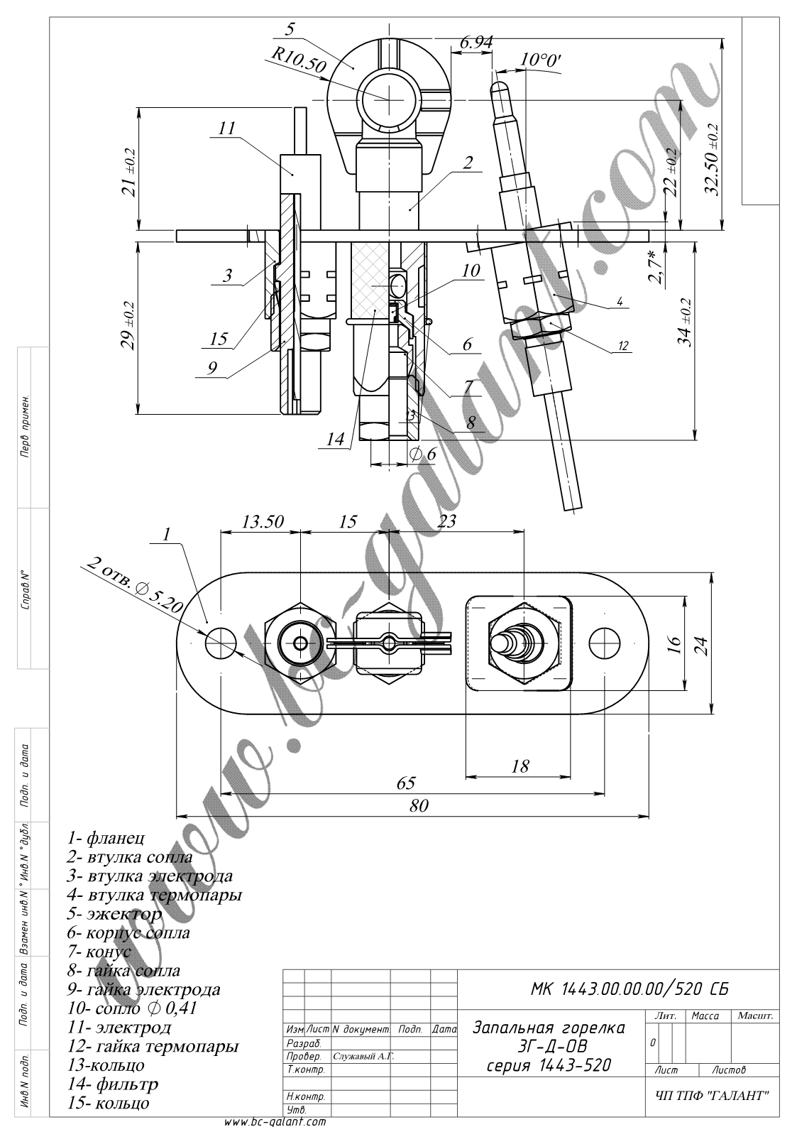
Пілотні (запальні) пальники призначені для розпалювання полум'я основних пальників котлів, печей та інших пальників побутового енергетичного обладнання.
У зборі, 2 факели, без електрода розпалювання, інжектор 0,41мм (100-001), приєднання газу 4мм, має отвір для приєднання термопари.
