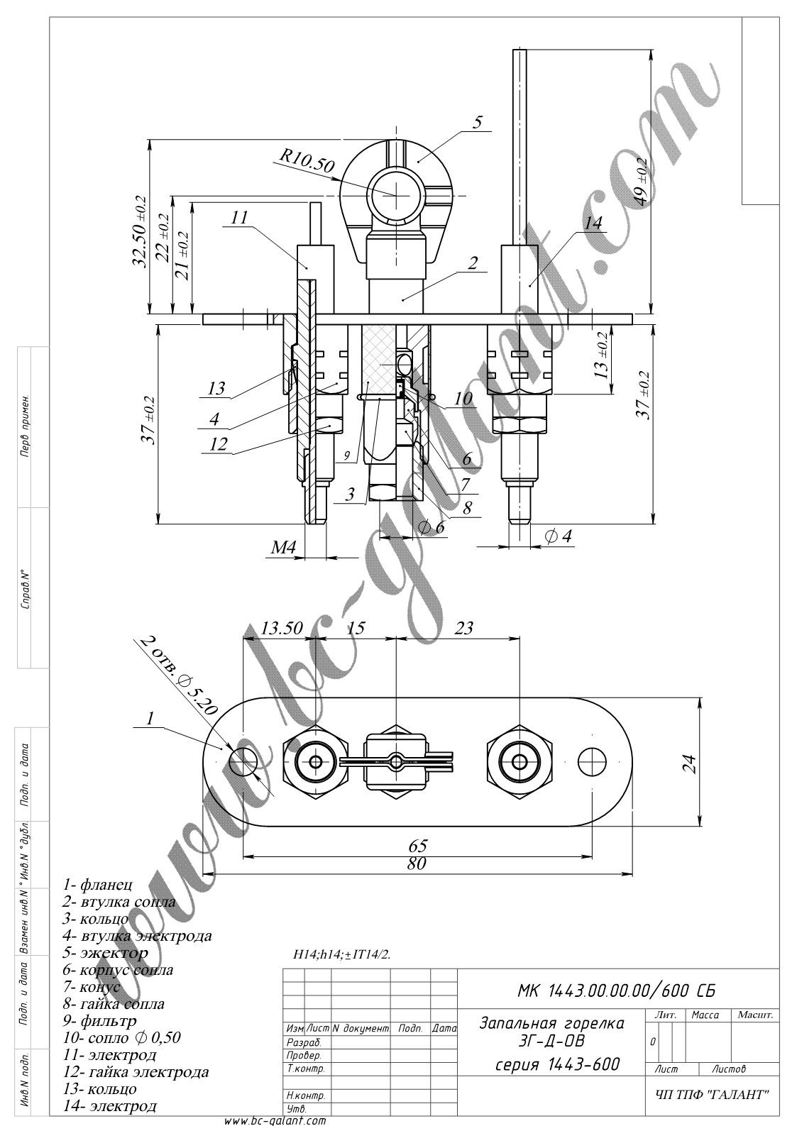
Пілотні (запальні) пальники призначені для розпалювання полум'я основних пальників котлів, печей та інших пальників побутового енергетичного обладнання.
У зборі, 2 факели, без електрода розпалювання та контролю полум'я, інжектор 0,50мм (100-002),
приєднання газу 6мм.
Ціна пілотного пальника ЗГ-Д-ОВ серія 1443-600 вказана без електродів (грн. з ПДВ)
